

Earth Science Frontiers ›› 2020, Vol. 27 ›› Issue (6): 199-212.DOI: 10.13745/j.esf.sf.2020.6.8
Previous Articles Next Articles
JING Xiuchun1(
), ZHOU Hongrui1, WANG Xunlian1, YANG Zhihua1, FANG Qiang2, WANG Zhentao3, FAN Jie4
Received:2020-03-24
Revised:2020-05-28
Online:2020-11-02
Published:2020-11-02
CLC Number:
JING Xiuchun, ZHOU Hongrui, WANG Xunlian, YANG Zhihua, FANG Qiang, WANG Zhentao, FAN Jie. A review on Ordovician conodont biostratigraphy of the North China Plate and new research advances on its northwestern margin[J]. Earth Science Frontiers, 2020, 27(6): 199-212.
Fig.1 Sketch map of the (a) geotectonic location of the northwestern margin of the North China Plate (adapted from [29]) and (b) traffic location of the study sections
Fig.3 Typical conodonts in the Sandbian-Katian period of the Late Ordovician on the northwestern margin of the North China Plate. Adapted from [35-38].
Fig.4 Stratigraphic distribution and biostratigraphic division of typical conodonts from the Middle Ordovician to the earliest Late Ordovician on the northwestern margin of the North China plate. Adapted from [34,35].
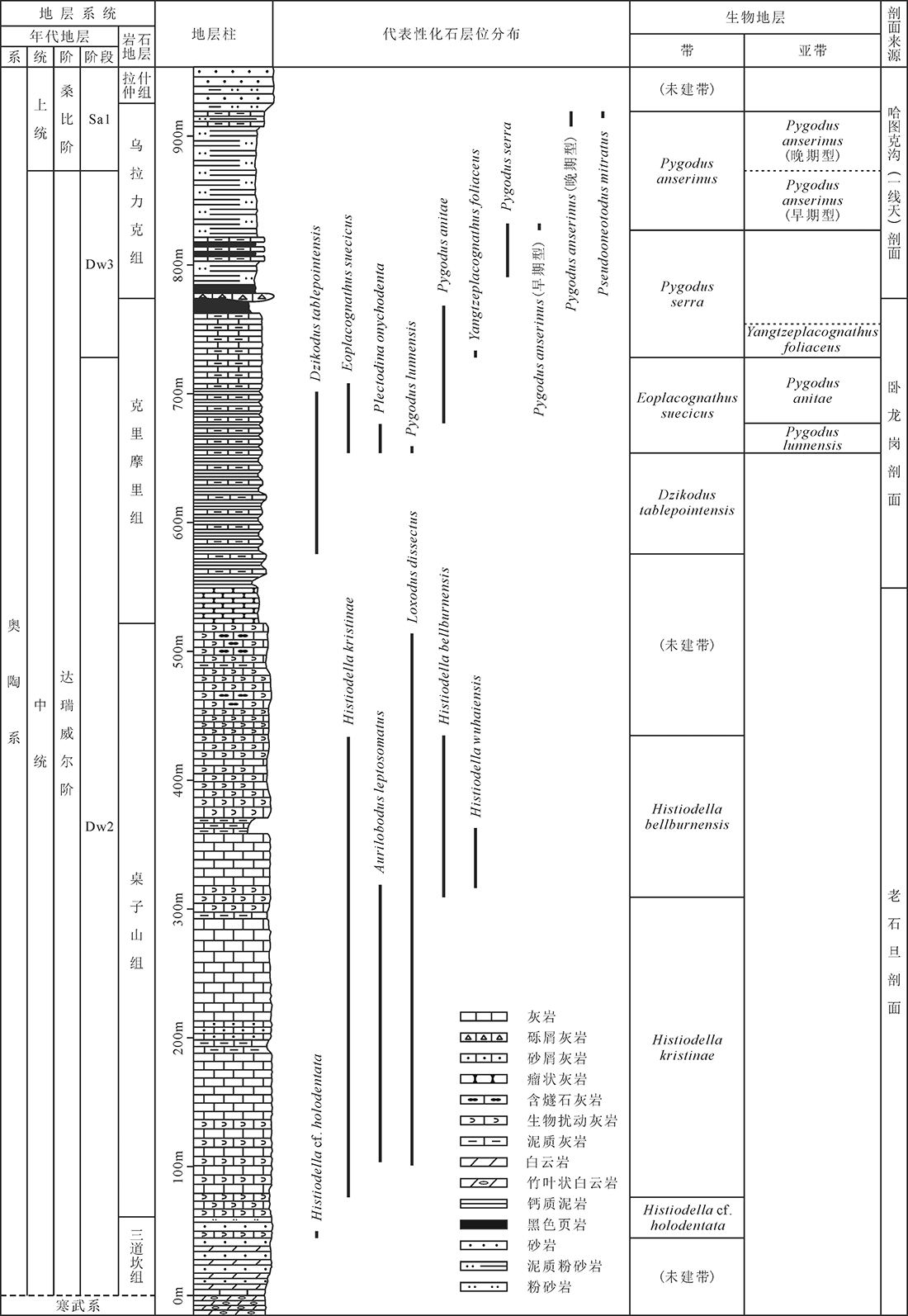
Fig.5 Stratigraphic distribution and biostratigraphic division of typical Late Ordovician conodonts on the northwest margin of the North China plate. Adapted from [14, 36-38].
Fig.6 Correlation of Ordovician conodont biozones on the northwestern margin of the North China plate with representative conodont biostratigraphic sequences at home and abroad. North Atlantic sequence was from [8,49]; South China sequence from [44]; central North China sequence from [12,27]; and North American sequence from [8].
| [1] |
MURDOCK D J E, DONG X P, REPETSKI J E, et al. The origin of conodonts and of vertebrate mineralized skeletons[J]. Nature, 2013, 502: 546-549.
DOI URL |
| [2] | SWEET W C. The Conodonta: morphology, taxonomy, paleoecology, and Evolutionary history of a long-extinct animal phylum[M]. Oxford: Oxford University Press, 1988: 212. |
| [3] | ALBANESI G L, BERGSTRÖM S M. Conodonts: lower to middle Ordovician record[M]//WEBBY B D, PARIS F, DROSER M L, et al. The great Ordovician biodiversification event. New York: Columbia University Press, 2004: 312-326. |
| [4] |
WU R C, STOUGE S, WANG Z H. Conodontophorid biodiversification during the Ordovician in South China[J]. Lethaia, 2012, 45(3): 432-442.
DOI URL |
| [5] |
WU R C, PERCIVAL I G, STOUGE S, et al. Conodont diversification during the ordovician: a perspective from North China and Tarim (Northwestern China)[J]. Science China: Earth Sciences, 2014, 57(3): 397-407.
DOI URL |
| [6] |
FAN J X, SHEN S Z, ERWIN D H, et al. A high-resolution summary of Cambrian to Early Triassic marine invertebrate biodiversity[J]. Science, 2020, 367(6475): 272-277.
DOI URL |
| [7] | PANDER C H. Monographie der fossilen fische des Silurischen Systems der Russisch-Baltischen Gouvernements[M]. St. Petersburg: Buchdruckerei der Kaiserlichen Akademie der Wissenschaften, 1856: 91. |
| [8] | COOPER R A, SADLER P M, HAMMER O, et al. The Ordovician period[M]//GRADSTEIN F M, OGG J G, SCHMITZ M D, et al. The geologic time scale. Amsterdam: Elsevier, 2012: 489-523. |
| [9] |
BERGSTRÖM S M, FERRETTI A. Conodonts in Ordovician biostratigraphy[J]. Lethaia, 2017, 50(3): 424-439.
DOI URL |
| [10] | 王志浩, 祁玉平, 吴荣昌. 中国寒武纪和奥陶纪牙形刺[M]. 合肥: 中国科学技术大学出版社, 2011: 388. |
| [11] | 安太庠, 杨长生. 中国华北地区寒武—奥陶系牙形石兼论寒武、奥陶系分界[C]//地质部书刊编辑室. 国际交流地质学术论文集: 二十六届国际地质大会撰写(四)地层古生物. 北京: 地质出版社, 1980: 7-14. |
| [12] | 安太庠, 张放, 向维达, 等. 华北及邻区牙形石[M]. 北京: 科学出版社, 1983. |
| [13] | 安太庠. 中国南部早古生代牙形石[M]. 北京: 北京大学出版社, 1987. |
| [14] | 安太庠, 郑昭昌. 鄂尔多斯盆地周缘的牙形石[M]. 北京: 科学出版社, 1990. |
| [15] | 王成源. 下扬子地区牙形刺-生物地层与有机变质成熟度的指标[M]. 北京: 科学出版社, 1993. |
| [16] | 赵治信, 张桂芝, 肖继南. 新疆古生代地层及牙形石[M]. 北京: 石油工业出版社, 2000. |
| [17] | AN T X. Recent progress in Cambrian and Ordovician conodont biostratigraphy of China[J]. Geological Society of America Special Paper, 1981, 187: 209-226. |
| [18] | 安太庠, 张安泰, 徐建民. 陕西耀县、富平奥陶系牙形石及其地层意义[J]. 地质学报, 1985, 59(2): 97- 108, 183-184. |
| [19] | 李晋僧, 于芬玲. 陕西陇县中奥陶统平凉组牙形刺[J]. 西北地质科学, 1983(1): 21- 28, 117-118. |
| [20] | 王志浩, 罗坤泉. 鄂尔多斯地台边缘晚寒武世—奥陶纪牙形刺[J]. 中国科学院南京地质古生物研究所丛刊, 1984(8): 237-304. |
| [21] | 林宝玉, 邱洪荣, 许长城. 内蒙古乌拉特前旗佘太镇地区奥陶纪地层的新认识[J]. 地质论评, 1984, 30(2): 95- 105, 200-201. |
| [22] | 于芬玲, 王志浩. 陕西陇县上奥陶统背锅山组牙形刺[J]. 微体古生物学报, 1986, 3(1): 99- 106, 125-126. |
| [23] | 王志浩, 方一亭. 河北唐山—卢龙地区寒武-奥陶系界线地层的牙形刺及其重要属种的演化[J]. 高校地质学报, 1996, 2(4): 466-474. |
| [24] | WANG Z H, BERGSTRÖM S M, LANE H.R. Conodont provinces and biostratigraphy in Ordovician of China[J]. Acta Palaeontologica Sinica, 1996, 35(1): 26-59. |
| [25] | FINNEY S C, BERGSTRÖM S M, CHEN X, et al. The Pingliang section, Gansu Province, China: potential as global stratotype for the base of the Nemagraptus gracilis Biozone and the base of the global Upper Ordovician Series[J]. Acta Universitatis Carolinae-Geologica, 1999, 43(1/2): 73-75. |
| [26] | 王志浩. 新疆柯坪和甘肃平凉上奥陶统底部附近的牙形刺[J]. 微体古生物学报, 2001, 18(4): 349-363. |
| [27] | 王志浩, BERGSTRÖM S M, 甄勇毅, 等. 河北唐山达瑞威尔阶(Darriwilian)牙形刺生物地层的新认识[J]. 古生物学报, 2014, 53(1): 1-15. |
| [28] | 王志浩, 伯格斯特龙, 甄勇毅, 等. 河北唐山下奥陶统牙形刺生物地层的新认识[J]. 微体古生物学报, 2014, 31(1): 1-14. |
| [29] | 王志浩, 甄勇毅, 张元动, 等. 中国华北不同相区奥陶纪牙形刺生物地层的再认识[J]. 地层学杂志, 2016, 40(1): 1-16. |
| [30] | WANG Z H, ZHEN Y Y, BERGSTRÖM S M, et al. Ordovician conodont biozonation and biostratigraphy of North China[J]. Australasian Palaeontological Memoirs, 2018, 51: 65-79. |
| [31] | 王志浩, 伯格斯特龙, 甄勇毅, 等. 内蒙古乌海大石门奥陶系牙形刺和Histiodella动物群发现的意义[J]. 微体古生物学报, 2013, 30(4): 323-343. |
| [32] |
WANG Z H, BERGSTRÖM S M, ZHEN Y Y, et al. On the integration of Ordovician conodont and graptolite biostratigraphy: new examples from Gansu and Inner Mongolia in China[J]. Alcheringa: an Australasian Journal of Palaeontology, 2013, 37(4): 510-528.
DOI URL |
| [33] |
ZHEN Y Y, ZHANG Y D, WANG Z H, et al. Huaiyuan epeirogeny: shaping Ordovician stratigraphy and sedimentation on the North China Platform[J]. Palaeogeography, Palaeoclimatology, Palaeoecology, 2016, 448: 363-370.
DOI URL |
| [34] |
JING X C, ZHOU H R, WANG X L. Ordovician (middle Darriwilian-earliest Sandbian) conodonts from the Wuhai area of Inner Mongolia, North China[J]. Journal of Paleontology, 2015, 89(5): 768-790.
DOI URL |
| [35] |
JING X C, ZHOU H R, WANG X L. Biostratigraphy and biofacies of the Middle Darriwilian (Ordovician) conodonts from the Laoshidan section in the western margin of the North China Craton[J]. Marine Micropaleontology, 2016, 125: 51-65.
DOI URL |
| [36] |
JING X C, ZHOU H R, WANG X L. Conodont biostratigraphy of the Gongwusu Formation (Upper Ordovician) in the Wuhai area of Inner Mongolia, North China[J]. Paleontological Research, 2017, 21(2): 183-194.
DOI URL |
| [37] | 杨志华, 景秀春, 王训练, 等. 关于晚奥陶世牙形刺属Tasmanognathus Burrett和Yaoxianognathus An的几点新认识[J]. 微体古生物学报, 2019, 36(2): 115-129. |
| [38] | YANG Z H, JING X C, ZHOU H R, et al. Katian (Late Ordovician) conodonts on the northwestern margin of the North China Craton (NCC)[J]. Journal of Paleontology (in press). |
| [39] | VAN DEN BOOGAARD M. Conodonts of the Middle Ordovician Table Head Formation, western Newfoundland[J]. Earth-Science Reviews, 1986, 23(1): 67. |
| [40] |
SERRA F, ALBANESI G L, ORTEGA G, et al. Biostratigraphy and palaeoecology of Middle-Late Ordovician conodont and graptolite faunas of the Las Chacritas River section, Precordillera of San Juan,Argentina[J]. Geological Magazine, 2015, 152(5): 813-829.
DOI URL |
| [41] |
SERRA F, FELTES N A, ALBANESI G L, et al. High-resolution conodont biostratigraphy from the Darriwilian Stage (Middle Ordovician) of the Argentine Precordillera and biodiversity analyses: a CONOP9 approach[J]. Lethaia, 2019, 52(2): 188-203.
DOI URL |
| [42] | 杜品德, 赵治信, 黄智斌, 等. 牙形石Histiodella Hass四个种的讨论及地层对比意义[J]. 微体古生物学报, 2005, 22(4): 357-369. |
| [43] | BERGSTRÖM S M. Conodont biostratigraphy of the Middle and Upper Ordovician of Europe and eastern North America[J]. Memoir of the Geological Society of America, 1971, 127(26): 83-162. |
| [44] | ZHANG J H. Conodonts from the Guniutan Formation (Llanvirnian) in Hubei and Hunan Provinces, south-central China[J]. Stockholm Contributions in Geology, 1998, 46: 1-16. |
| [45] |
ZHEN Y Y, WEBBY B D, BARNES C R. Upper Ordovician conodonts from the Bowan Park succession, central New South Wales, Australia[J]. Geobios, 1999, 32(1): 73-104.
DOI URL |
| [46] |
STOUGE S. Middle Ordovician (late Dapingian-Darriwilian) conodonts from the Cow Head Group and Lower Head Formation, western Newfoundland,Canada[J]. Canadian Journal of Earth Sciences, 2012, 49(1): 59-90.
DOI URL |
| [47] |
CHEN X, ZHANG Y D, BERGSTRÖM S M, et al. Upper Darriwilian graptolite and conodont zonation in the global stratotype section of the Darriwilian stage (Ordovician) at Huangnitang, Changshan, Zhejiang, China[J]. Palaeoworld, 2006, 15(2): 150-170.
DOI URL |
| [48] |
MESTRE A. Conodont biostratigraphy of the uppermost San Juan Formation and the Lower Member of Los Azules Formation at Cerro La Chilca, San Juan Precordillera[J]. Ameghiniana, 2012, 49(2): 185-97.
DOI URL |
| [49] | ZHANG J H. The Ordovician conodont genus Pygodus[J]. Palaeontologica Polonica, 1998, 58: 87-105. |
| [50] | BERGSTRÖM S M. The Ordovician conodont biostratigraphy in the Siljan region, south-central Sweden: a brief review of an international reference standard [C]//EBBESTAD J O R, WICKSTRÖM L M, HÖGSTRÖM A E S. 9th Meeting of the Working Group on Ordovician Geology of Baltoscandia, Field Guide and Abstracts. Stockholm: Geological Survey of Sweden, 2007: 26-41. |
| [51] | SWEET W C. Late Ordovician conodonts and biostratigraphy of the western Midcontinent Province[J]. Brigham Young University Geology Studies, 1979, 26(3): 45-86. |
| [52] | BRANSON E B, MEHL M G. Conodont studies[M]//University of Missouri. The University of Missouri Studies. Columbia. University of Missouri Press, 1933. |
| [53] | ZHEN Y Y, PERCIVAL I G, MOLLOY P D. Late Ordovician conodonts and brachiopods from near Greenvale in the broken river province, North Queensland[J]. Proceedings of the Linnean Society of New South Wales, 2015, 137: 85-133. |
| [1] | CHEN Rubiao, WANG Yuman, HUANG Zhengliang, LI Weiling, YAN Wei, LIANG Feng, GUO Wei. Fracture pore characteristics and gas accumulation model of marine shales in the northwestern Ordos Basin: A case study of the Ordovician Wulalike Formation [J]. Earth Science Frontiers, 2024, 31(5): 46-60. |
| [2] | HAN Pengyuan, DING Wenlong, YANG Debin, DENG Guangxiao, WANG Zhen, MA Hailong, LÜ Jing, GENG Tian. Characteristics and main controlling factors of fracture development in the Ordovician carbonate reservoir, Tahe oilfield [J]. Earth Science Frontiers, 2024, 31(5): 209-226. |
| [3] | LI Yuntao, DING Wenlong, HAN Jun, HUANG Cheng, WANG Laiyuan, MENG Qingxiu. Fractures in Ordovician carbonate rocks in strike-slip fault zone, Shunbei area: Fracture distribution prediction and fracture controlling factors [J]. Earth Science Frontiers, 2024, 31(5): 263-287. |
| [4] | JIN Yanlin, ZHANG Huitao, LIU Yao, JI Yuwen. Reservoir development characteristics and karst models for the “strata bound” karst reservoirs in the Tahe Oilfield [J]. Earth Science Frontiers, 2023, 30(6): 125-134. |
| [5] | MA Anlai, QI Lixin. Geochemical characteristics and phase behavior of the Ordovician ultra-deep reservoir fluid, No.4 fault, northern Shuntuoguole, Tarim Basin [J]. Earth Science Frontiers, 2023, 30(6): 247-262. |
| [6] | ZHU Xiuxiang, CAO Zicheng, LONG Hui, ZENG Jianhui, HUANG Cheng, CHEN Xuyun. Experimental simulation and characteristics of hydrocarbon accumulation in strike-slip fault zone in Shunbei area, Tarim Basin [J]. Earth Science Frontiers, 2023, 30(6): 289-304. |
| [7] | LI Xi, ZHU Guangyou, LI Tingting, AI Yifei, ZHANG Yan, WANG Shan, CHEN Zhiyong, TIAN Lianjie. Genesis of dolostone of the Yingshan Formation in Tarim Basin and Mg isotope evidence [J]. Earth Science Frontiers, 2023, 30(4): 352-375. |
| [8] | ZHANG Juan, XIE Runcheng, YANG Min, GAO Zhiqian, WANG Ming, ZHANG Changjian, WANG Hong. Formation mechanism and distribution prediction of fine-fracture pores in the Lower Ordovician in Tahe oilfield [J]. Earth Science Frontiers, 2023, 30(4): 51-64. |
| [9] | CHEN Xuan, LIU Wanghan, BAO Dian, ZHANG Liping, CHEN Lixiong, YANG Min, ZHANG Juan, LI Yingju, LI Guangye, JIA Yufeng. Ordovician palaeokarst caves in the Tahe oilfield: Burial age of cave fills and its implication for hydrocarbon reservoirs [J]. Earth Science Frontiers, 2023, 30(4): 65-75. |
| [10] | BAO Hongping, WANG Qianping, YAN Wei, CAI Zhenghong, ZHENG Jie, WEI Liubin, HUANG Zhengliang, GUO Wei. Sedimentary characteristics and gas accumulation potential of the Ordovician carbonate-evaporite paragenesis system in central and eastern Ordos Basin [J]. Earth Science Frontiers, 2023, 30(1): 30-44. |
| [11] | ZHANG Ruifeng, TIAN Jianzhang, HUANG Yuanxin, TIAN Ran, REN Yi, BIAN Yingying, WANG Yuanjie, CHEN Ling, LU Shan. Formation conditions and reservoir forming models of Ordovician buried hill reservoirs in Jizhong Depression [J]. Earth Science Frontiers, 2023, 30(1): 45-54. |
| [12] | ZENG Zhongcheng, HONG Zenglin, BIAN Xiaowei, CHEN Ning, ZHANG Ruoyu, LI Qi. Discovery of Late Ordovician sanukitoid-like diorite in southern Altyn orogeny and its geological significance [J]. Earth Science Frontiers, 2022, 29(4): 345-357. |
| [13] | ZHANG Zhili, LI Huili, JIAO Cunli, GAO Xiaopeng. Stratigraphic division and correlation of the Ordovician Yingshan and Qrebake Formations in the Shuntogole area, Tarim Basin [J]. Earth Science Frontiers, 2021, 28(1): 90-103. |
| [14] | LI Guobiao, WANG Tianyang, LI Xinfa, NIU Xiaolu, ZHANG Wenyuan, XIE Dan, LI Yuewei, YAO Youjia, LI Qi, MA Xuesong, LI Xingpeng, XIU Di, HAN Zichen, ZHAO Shengnan, HAN Yi, XUE Song, REN Rong, JIA Zhixia. A review on marine Cretaceous-Paleogene biostratigraphy of and major geological events in Tibet-Tethyan Himalaya [J]. Earth Science Frontiers, 2020, 27(6): 144-164. |
| [15] | SHEN Yang, WANG Xunlian, LI Yukun, YANG Zhihua, CEN Wuxuan, WANG Xuebing. Carboniferous foraminifers from the Shangsi area in southern Guizhou and the Visean foraminiferal succession in South China [J]. Earth Science Frontiers, 2020, 27(6): 213-233. |
| Viewed | ||||||
|
Full text |
|
|||||
|
Abstract |
|
|||||